电气互锁
电气控制中互锁主要是为保证电器安全运行而设置的。它主要是由两电器件互相控制而形成互锁的。它实现的手段主要有三个,一个是电气互锁。二是机械互锁,三是电气机械联动互锁。
电气互锁:将这两个继电器的常闭触电接入另一个继电器的线圈控制回路里。这样,一个继电器得电动作,另一个继电器线圈上就不可能形成闭合回路。但也可以用机械联杆实现这一动作。三是电气机械联动互锁。如高压柜内的仃电,不断开开关,隔离开关就拉不开,上述都拉不开就合不上接地刀闸,拉不接地开刀闸,就打不开高压柜门,就不能进行开关的检查等到工作。电气互锁就是通过继电器、接触器的触点实现互锁,比如电动机正转时,正转接触器的触点切断反转按钮和反转接触器的电气通路。机械互锁就是通过机械部件实现互锁,比如两个开关不能同时合上,可以通过机械杠杆,使得一个开关合上时,另一个开关被机械卡住无法合上。电气互锁比较容易实现、灵活简单,互锁的两个装置可在不同位置安装,但可靠性较差。机械互锁可靠性高,但比较复杂,有时甚至无法实现。通常互锁的两个装置要在近邻位置安装。

常用电源恢复供电后可以自动切换到常用电源(当然也可以不切换),电气实现这种功能称为电气互锁,也可以叫电气联锁的。有很多地方需要电机的正转和反转运行,比如大门的开启和关闭就是电动机的下转和反转控制的,电机的正转和反转是靠对电源的相序进行倒相实现的,正转运行的时候,反转投入运行就会造成相间的短路,烧坏电气设备,这了避免这种情况的发生,在正转的时候将交流接触器的辅助常闭触点串连在电机反转的控制回路中,将反转交流接触器的辅助触点串连在电机下转的控制回路里面,当电机正转的时候用交流接触器的常闭辅助触点切断反转电机的控制回路,使反转无法投入运行。
反转工作的时候用交流接触器的常闭辅助触点切断电机正转的控制回路,使正转的操作不起作用。
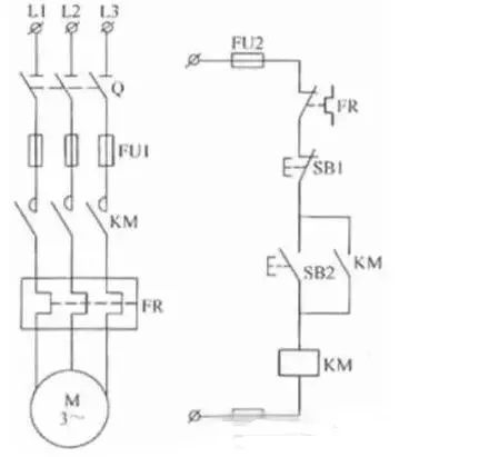
电路分为主电路也叫做一次电路(电源的接线)和控制电路也叫做二次电路,二次电路是控制一次主电路的。
交流接触器是一种控制元件,里面有一个控制线圈,可以是AC220V电压也可以是AC380V电压,通电后可以使之闭合,接通一次主电路,使电机工作。控制线圈的的通断的线路为控制控制线路。
电气元件在不通电的时候,闭合的触点称为动断常闭触点,断开的触点称为动合常开触点。主回路的触点可以通过很大的电流,根据电机的大小选择不同大小的交流接触器,辅助触点是接在控制回路里面的,所以电流限制在5A。
自锁电气控制回路
接触器的特点——接触器一般有6个接线柱,其中3个是常开触点,2个是常闭触点,1个是线圈。当线圈通电时,所有常开触点闭合,所有常闭触点断开。
为了更方便理解,请先看电路图:

▲自锁
该图中,左侧为主回路,右侧为二次回路(为了方便看清,我们把主回路和二次回路连接处省略了)。此时我们只看二次回路,SB2为常开按钮,下方KM为接触器线圈,上方KM为接触器常开触点。
若没有接触器的参与,即没有图中所有标有KM的地方,则SB2按下时回路通电,松开则断电(常开按钮特点,启动按钮都使用常开按钮)。因此我们接入了接触器线圈,并且把常开触点和SB2并联。由此就产生了按下SB2时线圈瞬间通电从而闭合常开触点,以保证松开SB2时回路依然有电的效果。
最常见的自锁电路

▲最常见电路-自锁电路

